Podłączenie stycznika trójfazowego to kluczowa umiejętność dla każdego, kto pracuje z instalacjami elektrycznymi o większej mocy. Ten artykuł to praktyczny i szczegółowy poradnik, który krok po kroku przeprowadzi Cię przez proces prawidłowego i bezpiecznego podłączenia stycznika, zapewniając efektywne działanie Twojej instalacji.
Prawidłowe podłączenie stycznika 3-fazowego to klucz do bezpieczeństwa i efektywnej pracy instalacji.
- Stycznik trójfazowy to zdalnie sterowany łącznik do załączania obwodów dużej mocy, np. silników.
- Jego działanie opiera się na cewce (A1, A2) i stykach głównych (L1-T1, L2-T2, L3-T3) oraz pomocniczych (NO, NC).
- Podłączenie wymaga rozróżnienia obwodu głównego (zasilanie-odbiornik) i sterowania (cewka, przyciski).
- Kluczowe jest dopasowanie napięcia cewki do obwodu sterowania, aby uniknąć uszkodzenia.
- Prace należy wykonywać przy odłączonym zasilaniu, z odpowiednimi uprawnieniami i z zastosowaniem zabezpieczeń.
- Najczęstsze błędy to niewłaściwe napięcie cewki, luźne połączenia i brak zabezpieczeń.
Stycznik trójfazowy: dlaczego jest niezbędny w Twojej instalacji?
Stycznik trójfazowy to nic innego jak zdalnie sterowany łącznik elektryczny, który pełni niezwykle ważną funkcję w wielu instalacjach przemysłowych i domowych. Jego głównym zadaniem jest załączanie i wyłączanie obwodów o dużej mocy, takich jak silniki trójfazowe, grzałki elektryczne czy transformatory. Dzięki niemu możemy sterować pracą tych urządzeń z bezpiecznej odległości, często za pomocą prostych przycisków "start" i "stop" lub sygnałów z automatyki.
Zasada działania stycznika jest fascynująco prosta, a jednocześnie bardzo efektywna. Sercem każdego stycznika jest cewka elektromagnetyczna, oznaczona zazwyczaj jako A1 i A2. Kiedy na te zaciski podamy napięcie sterujące (które musi być zgodne z parametrami cewki), wewnątrz cewki powstaje pole magnetyczne. To pole przyciąga ruchomą zworę, która z kolei powoduje mechaniczne zamknięcie lub otwarcie styków roboczych. Mamy tutaj do czynienia z dwoma rodzajami styków: głównymi (roboczymi) oraz pomocniczymi.
Styki główne, oznaczone jako L1, L2, L3 (wejścia zasilania) i T1, T2, T3 (wyjścia do odbiornika), są odpowiedzialne za przepływ prądu do obciążenia. Kiedy cewka jest załączona, styki główne zamykają się, umożliwiając przepływ prądu trójfazowego. Po odłączeniu napięcia od cewki, sprężyna odpycha zworę, a styki główne otwierają się, przerywając obwód. Styki pomocnicze natomiast, oznaczone jako NO (normalnie otwarte) i NC (normalnie zamknięte), służą do budowania obwodów sterujących, sygnalizacji lub blokad. Ich stan zmienia się wraz ze stanem cewki NO zamyka się, gdy cewka jest załączona, a NC otwiera się.
Bezpieczeństwo przede wszystkim: fundamentalne zasady pracy z prądem trójfazowym
Zanim w ogóle pomyślisz o dotknięciu jakiegokolwiek elementu instalacji elektrycznej, musisz mieć świadomość, że prąd trójfazowy jest niezwykle niebezpieczny i może być śmiertelny. Jako Marcel Krajewski, zawsze podkreślam, że bezpieczeństwo jest absolutnym priorytetem. Nie ma tu miejsca na kompromisy czy lekkomyślność. Oto fundamentalne zasady, których musisz bezwzględnie przestrzegać:- Bezwzględne odłączenie zasilania: Zawsze, ale to zawsze, przed rozpoczęciem jakichkolwiek prac przy instalacji elektrycznej, odłącz główne zasilanie. To podstawa! Upewnij się, że wyłącznik główny jest w pozycji "OFF" i najlepiej zabezpiecz go przed przypadkowym załączeniem.
- Weryfikacja braku napięcia: Samo wyłączenie zasilania to za mało. Zawsze sprawdź brak napięcia na wszystkich przewodach i zaciskach, z którymi będziesz pracować. Użyj do tego celu sprawnego próbnika napięcia lub multimetru. Sprawdź każdą fazę oraz przewód neutralny względem uziemienia.
- Posiadanie odpowiednich uprawnień: Prace przy instalacjach trójfazowych powinny być wykonywane wyłącznie przez osoby posiadające odpowiednie kwalifikacje i uprawnienia elektryczne (np. SEP). Jeśli ich nie masz, zleć pracę profesjonaliście. Twoje życie jest ważniejsze niż oszczędność kilku złotych.
- Stosowanie wyłączników różnicowoprądowych i nadprądowych: Upewnij się, że obwód, do którego podłączasz stycznik, jest odpowiednio zabezpieczony. Wyłączniki różnicowoprądowe (RCD) chronią przed porażeniem, a wyłączniki nadprądowe (MCB) lub bezpieczniki topikowe chronią instalację przed przeciążeniem i zwarciem.
- Używanie izolowanych narzędzi: Zawsze pracuj narzędziami posiadającymi odpowiednią izolację, przeznaczonymi do prac pod napięciem (choć my zawsze pracujemy bez napięcia!).
- Odpowiedni ubiór: Unikaj luźnych ubrań, biżuterii i innych elementów, które mogłyby zaczepić się o elementy instalacji lub przewodzić prąd.
Przygotowania do pracy: poznaj stycznik i zbierz narzędzia
Zanim przystąpimy do fizycznego podłączenia, kluczowe jest zrozumienie, co mamy w ręku. Każdy stycznik, choć na pierwszy rzut oka może wydawać się skomplikowany, ma jasno opisane zaciski. Poniżej znajdziesz schemat, który pomoże Ci zidentyfikować poszczególne elementy.

Jak czytać oznaczenia na styczniku? Przewodnik po symbolach (L1, T1, A1, A2, NO, NC)
Zrozumienie oznaczeń na styczniku to podstawa prawidłowego podłączenia. Bez tego ani rusz! Oto szczegółowe wyjaśnienie każdego kluczowego symbolu:
| Oznaczenie | Znaczenie i funkcja |
|---|---|
| L1, L2, L3 | Są to zaciski wejściowe obwodu głównego (siłowego). Tutaj podłączamy przewody fazowe zasilania trójfazowego (np. z rozdzielnicy). Czasami spotyka się również oznaczenia cyfrowe 1, 3, 5. |
| T1, T2, T3 | To zaciski wyjściowe obwodu głównego. Tutaj podłączamy przewody prowadzące do odbiornika, którym sterujemy (np. do silnika elektrycznego). Odpowiadają wejściom L1, L2, L3. Czasami oznaczane jako 2, 4, 6. |
| A1, A2 | Te zaciski służą do podłączenia cewki sterującej stycznika. Podanie na nie odpowiedniego napięcia (zgodnego z parametrami cewki!) powoduje załączenie stycznika. Napięcie to może być różne (np. 24V, 230V, 400V AC lub DC). |
| NO (Normally Open) | Oznacza styk pomocniczy normalnie otwarty. Oznacza to, że w stanie spoczynku (gdy cewka nie jest zasilana) styk ten jest otwarty i nie przewodzi prądu. Zamyka się dopiero po załączeniu cewki stycznika. Często używany do sygnalizacji lub do podtrzymania obwodu sterowania (tzw. samopodtrzymanie). Przykładowe oznaczenia: 13NO, 14NO. |
| NC (Normally Closed) | Oznacza styk pomocniczy normalnie zamknięty. W stanie spoczynku (gdy cewka nie jest zasilana) styk ten jest zamknięty i przewodzi prąd. Otwiera się dopiero po załączeniu cewki stycznika. Używany często do blokad lub sygnalizacji, np. do wyłączania innych obwodów, gdy stycznik jest załączony. Przykładowe oznaczenia: 21NC, 22NC. |
Dobór stycznika do silnika i innych urządzeń: na co zwrócić uwagę?
Wybór odpowiedniego stycznika to nie tylko kwestia dostępności, ale przede wszystkim bezpieczeństwa i prawidłowego działania instalacji. Jako doświadczony elektryk, zawsze zwracam uwagę na kilka kluczowych aspektów, które musisz wziąć pod uwagę:
- Napięcie cewki (A1, A2): To absolutnie najważniejszy parametr! Napięcie, które podasz na zaciski A1 i A2 cewki sterującej, musi być identyczne z napięciem znamionowym cewki stycznika. Styczniki są dostępne z cewkami na różne napięcia, np. 24V AC/DC, 230V AC, 400V AC. Podłączenie cewki 24V do obwodu 230V spowoduje jej natychmiastowe spalenie. Zawsze sprawdź to oznaczenie na obudowie stycznika!
- Prąd znamionowy stycznika: Musi być on dobrany do prądu znamionowego odbiornika (np. silnika), który będzie załączany. Stycznik powinien mieć prąd znamionowy większy lub równy prądowi pobieranemu przez obciążenie, z uwzględnieniem ewentualnych prądów rozruchowych. Zbyt mały stycznik będzie się przegrzewał i szybko ulegnie uszkodzeniu.
- Kategoria użytkowania: Styczniki mają różne kategorie użytkowania (np. AC-1, AC-3, AC-4), które określają ich przeznaczenie i zdolność do załączania różnych typów obciążeń (rezystancyjnych, indukcyjnych, silników z częstym rozruchem). Do silników najczęściej stosuje się kategorię AC-3.
- Liczba styków pomocniczych: Zastanów się, czy potrzebujesz dodatkowych styków NO lub NC do obwodu sterowania, sygnalizacji czy blokad. Wiele styczników ma wbudowane styki pomocnicze, a do niektórych można dokupić dodatkowe bloki styków.
Kompletna lista narzędzi, które ułatwią Ci pracę
Do prawidłowego i bezpiecznego podłączenia stycznika potrzebujesz kilku podstawowych narzędzi elektrycznych. Upewnij się, że masz je pod ręką i że są w dobrym stanie technicznym:
- Wkrętaki: Płaskie i krzyżakowe (Phillips), z izolowanymi rękojeściami. Upewnij się, że pasują do rozmiaru śrub w zaciskach stycznika.
- Ściągacz izolacji: Niezbędny do precyzyjnego i bezpiecznego usuwania izolacji z przewodów, bez uszkadzania żył.
- Praska do tulejek (zaciskarka): Jeśli używasz przewodów linkowych, zawsze zarabiaj końcówki tulejkami. To zapewnia solidne i bezpieczne połączenie, zapobiegając rozpraszaniu się żył i powstawaniu luźnych połączeń.
- Multimetr: Niezastąpiony do pomiaru napięcia, prądu (jeśli ma taką funkcję) i sprawdzania ciągłości obwodów. Pomoże Ci zweryfikować poprawność połączeń przed podaniem zasilania.
- Próbnik napięcia: Proste narzędzie do szybkiego sprawdzenia obecności napięcia. Pamiętaj, aby zawsze sprawdzić jego działanie na znanym źródle napięcia przed użyciem.
- Nóż monterski: Przydatny do cięcia grubszych izolacji lub opasek kablowych.
- Opaski kablowe: Do schludnego ułożenia przewodów.

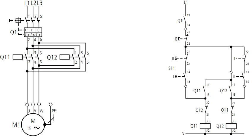
Krok po kroku: jak podłączyć stycznik 3-fazowy (schemat i instrukcja)
Przejdźmy teraz do sedna, czyli do praktycznego podłączenia stycznika. Pamiętaj, że wszystkie prace wykonujemy przy bezwzględnie odłączonym zasilaniu i po upewnieniu się, że w obwodzie nie ma napięcia.
Krok 1: Podłączanie obwodu głównego (siłowego) zasilanie i odbiornik
Obwód główny to ten, przez który będzie przepływał prąd do naszego odbiornika (np. silnika). Musi być on wykonany z przewodów o odpowiednim przekroju, dobranym do mocy odbiornika i zabezpieczony odpowiednimi wyłącznikami nadprądowymi.
-
Podłączenie zasilania do stycznika:
- Zidentyfikuj przewody fazowe zasilania trójfazowego (L1, L2, L3) oraz przewód ochronny (PE) i ewentualnie neutralny (N), jeśli jest wymagany przez odbiornik lub obwód sterowania.
- Podłącz przewody fazowe L1, L2, L3 do odpowiednich zacisków wejściowych stycznika, również oznaczonych jako L1, L2, L3 (lub 1, 3, 5).
- Jeśli używasz przewodów linkowych, zawsze zarób ich końcówki tulejkami, a następnie solidnie dokręć śruby zacisków. Luźne połączenia to najczęstsza przyczyna przegrzewania się i awarii!
-
Podłączenie odbiornika do stycznika:
- Zidentyfikuj przewody prowadzące do odbiornika (np. silnika) i podłącz je do zacisków wyjściowych stycznika, oznaczonych jako T1, T2, T3 (lub 2, 4, 6).
- Przewód ochronny (PE) odbiornika podłącz bezpośrednio do szyny PE w rozdzielnicy lub do odpowiedniego zacisku uziemiającego, omijając stycznik (stycznik nie przerywa obwodu PE).
- Ponownie, upewnij się, że wszystkie połączenia są solidne i dobrze dokręcone.
Krok 2: Podłączanie obwodu sterowania serce całego układu
Obwód sterowania to ten, który decyduje o tym, kiedy stycznik ma się załączyć, a kiedy wyłączyć. Zazwyczaj jest to obwód niskoprądowy, sterowany za pomocą przycisków, przełączników lub sygnałów z automatyki.
-
Podłączenie zasilania cewki:
- Zidentyfikuj zaciski cewki stycznika (A1 i A2).
- Podłącz przewody z obwodu sterowania do zacisków A1 i A2. Pamiętaj, że napięcie tego obwodu musi być identyczne z napięciem znamionowym cewki stycznika! Jeśli cewka jest na 230V AC, podłącz jedną fazę (lub fazę i neutralny, jeśli to cewka jednofazowa) z obwodu sterowania. Jeśli cewka jest na 24V DC, podłącz +24V i 0V.
- W najprostszym układzie jeden z przewodów obwodu sterowania podłączamy bezpośrednio do A1, a drugi, poprzez przycisk "start" (styk NO) i przycisk "stop" (styk NC), do A2.
-
Włączenie przycisków sterujących:
- Przycisk "stop" (zawsze styk NC) podłączamy szeregowo w obwodzie zasilającym cewkę. Jego naciśnięcie przerwie obwód i wyłączy stycznik.
- Przycisk "start" (zawsze styk NO) podłączamy równolegle do styku pomocniczego NO stycznika (o czym za chwilę w kroku 3), tworząc układ podtrzymania.
Krok 3: Jak zrealizować sterowanie Start-Stop z podtrzymaniem? Schemat praktyczny
Sterowanie z podtrzymaniem to standard w większości aplikacji. Pozwala ono na załączenie stycznika krótkotrwałym naciśnięciem przycisku "start", po czym stycznik pozostaje załączony, dopóki nie naciśniemy przycisku "stop" lub nie nastąpi awaria (np. zadziałanie zabezpieczenia). Logika działania jest prosta: po naciśnięciu "start" prąd płynie przez przycisk do cewki, stycznik się załącza. W tym samym momencie zamyka się jego własny styk pomocniczy NO, który tworzy "obejście" dla przycisku "start". Dzięki temu, nawet po puszczeniu przycisku "start", prąd nadal płynie do cewki przez ten właśnie styk pomocniczy, utrzymując stycznik w stanie załączenia. Dopiero naciśnięcie przycisku "stop" (który jest stykiem NC w szeregu) przerywa cały obwód sterowania i wyłącza stycznik.
Aby zrealizować układ z podtrzymaniem, wykonaj następujące kroki:
- Podłączenie przycisku "stop": Podłącz jeden z przewodów zasilających obwód sterowania do jednego zacisku przycisku "stop" (styk NC). Z drugiego zacisku przycisku "stop" poprowadź przewód do jednego zacisku przycisku "start" (styk NO).
- Podłączenie przycisku "start" i styku pomocniczego NO: Z drugiego zacisku przycisku "start" poprowadź przewód do zacisku A1 cewki stycznika. Równolegle do przycisku "start" podłącz styk pomocniczy NO stycznika (np. 13NO i 14NO). Oznacza to, że jeden zacisk styku NO (np. 13NO) podłącz do przewodu między przyciskiem "stop" a "start", a drugi zacisk styku NO (np. 14NO) podłącz do zacisku A1 cewki.
- Dokończenie obwodu cewki: Drugi zacisk cewki (A2) podłącz do drugiego bieguna zasilania obwodu sterowania (np. do neutralnego N lub do 0V w przypadku DC).
Krok 4: Finalne sprawdzenie poprawności połączeń multimetrem
Zanim podasz zasilanie, musisz bezwzględnie sprawdzić poprawność wszystkich połączeń. To moment, w którym multimetr staje się Twoim najlepszym przyjacielem.
-
Sprawdzenie ciągłości obwodu sterowania:
- Ustaw multimetr na pomiar ciągłości (często sygnalizowany dźwiękiem).
- Sprawdź ciągłość obwodu cewki, naciskając przycisk "start" i "stop". Powinieneś usłyszeć sygnał ciągłości, gdy obwód jest zamknięty (przycisk "start" naciśnięty, "stop" puszczony).
- Sprawdź, czy styk pomocniczy NO zamyka obwód po ręcznym wciśnięciu zwory stycznika (symulując załączenie).
-
Sprawdzenie braku zwarć:
- Ustaw multimetr na pomiar rezystancji (Ω) lub ciągłości.
- Sprawdź, czy nie ma zwarć między fazami L1, L2, L3 oraz między fazami a przewodem ochronnym PE. Rezystancja powinna być bardzo wysoka (nieskończoność).
- Sprawdź również brak zwarć w obwodzie sterowania.
-
Weryfikacja dokręcenia zacisków:
- Fizycznie sprawdź każdą śrubę zacisku, upewniając się, że jest solidnie dokręcona. Delikatnie pociągnij za każdy przewód, aby upewnić się, że nie wysunie się z zacisku.
Unikaj tych błędów: praktyczna lista kontrolna przy podłączaniu stycznika
Nawet doświadczonym elektrykom zdarzają się pomyłki, ale znajomość najczęstszych błędów pozwala ich unikać. Oto lista pułapek, na które musisz uważać podczas podłączania stycznika trójfazowego:
-
Pomylenie obwodu głównego z obwodem sterowania:
- Błąd: Podłączenie zasilania cewki (A1, A2) do przewodów obwodu głównego (np. 400V) zamiast do obwodu sterowania (np. 230V lub 24V).
- Skutki: Natychmiastowe uszkodzenie cewki stycznika, a w skrajnych przypadkach nawet pożar.
- Jak uniknąć: Zawsze dokładnie sprawdź napięcie znamionowe cewki na obudowie stycznika i upewnij się, że obwód sterowania dostarcza dokładnie takie samo napięcie. Używaj przewodów o różnych kolorach dla obwodu głównego i sterowania, aby zminimalizować ryzyko pomyłki.
-
Podanie niewłaściwego napięcia na cewkę:
- Błąd: Podłączenie cewki przeznaczonej na inne napięcie (np. 24V) do źródła zasilania o innym napięciu (np. 230V).
- Skutki: Spalenie cewki, uszkodzenie stycznika.
- Jak uniknąć: Zawsze weryfikuj napięcie cewki na tabliczce znamionowej stycznika i upewnij się, że źródło zasilania obwodu sterowania jest z nim zgodne.
-
Nieprawidłowe podłączenie styków pomocniczych (np. układu podtrzymania):
- Błąd: Pomylenie styków NO z NC, błędne podłączenie styku podtrzymania.
- Skutki: Stycznik nie załącza się, nie podtrzymuje, lub działa w sposób niezamierzony.
- Jak uniknąć: Dokładnie przestudiuj schemat połączeń dla układu z podtrzymaniem. Upewnij się, że styk NO stycznika jest podłączony równolegle do przycisku "start".
-
Zbyt słabo dokręcone zaciski:
- Błąd: Niedokręcenie śrub zacisków, zwłaszcza w obwodzie głównym.
- Skutki: Przegrzewanie się połączeń, iskrzenie, spadek napięcia, a w konsekwencji uszkodzenie stycznika, przewodów, a nawet pożar.
- Jak uniknąć: Po podłączeniu każdego przewodu solidnie dokręć śrubę zacisku i delikatnie pociągnij za przewód, aby upewnić się, że jest pewnie zamocowany. Jeśli używasz przewodów linkowych, zawsze zarób je tulejkami.
-
Brak odpowiednich zabezpieczeń nadprądowych:
- Błąd: Brak wyłączników nadprądowych lub bezpieczników topikowych w obwodzie głównym.
- Skutki: W przypadku zwarcia lub przeciążenia, brak ochrony dla instalacji i odbiornika, ryzyko pożaru.
- Jak uniknąć: Zawsze stosuj odpowiednio dobrane zabezpieczenia nadprądowe (wyłączniki silnikowe, bezpieczniki) w obwodzie głównym, zgodnie z mocą odbiornika i przekrojem przewodów.
Przeczytaj również: Jak bezpiecznie podłączyć 230V z siły? Rola elektryka SEP.
Pierwsze uruchomienie i diagnostyka: co robić dalej?
Jak bezpiecznie uruchomić układ po raz pierwszy?
Po dokładnym sprawdzeniu wszystkich połączeń i upewnieniu się, że nie ma zwarć, nadszedł czas na pierwsze uruchomienie. Zrób to z rozwagą i ostrożnością.
- Załącz zasilanie: Ostrożnie załącz główne zasilanie instalacji.
- Test obwodu sterowania: Naciśnij przycisk "start". Stycznik powinien załączyć się z charakterystycznym "kliknięciem" i pozostać włączony po puszczeniu przycisku (dzięki podtrzymaniu).
- Test przycisku "stop": Naciśnij przycisk "stop". Stycznik powinien natychmiast się wyłączyć.
- Obserwacja i nasłuchiwanie: Przez kilka minut obserwuj stycznik. Czy nie buczy nadmiernie? Czy nie wydziela niepokojącego zapachu? Czy nie iskrzy? Jeśli wszystko działa prawidłowo, możesz podłączyć odbiornik (np. silnik) i przetestować jego działanie.
- Sprawdzenie napięć: Multimetrem sprawdź napięcia na wyjściach stycznika (T1, T2, T3) po jego załączeniu, upewniając się, że są zgodne z oczekiwaniami.
Diagnostyka problemów: Co zrobić, gdy stycznik buczy lub nie załącza?
Niekiedy, mimo starannego podłączenia, stycznik nie działa idealnie. Typowe problemy to buczenie lub brak załączenia. Jeśli stycznik buczy, najczęściej świadczy to o luźnych elementach mechanicznych, brudzie na rdzeniu elektromagnesu lub, co gorsza, o podaniu niewłaściwego napięcia na cewkę (za niskie napięcie może powodować drgania). W przypadku braku załączenia, sprawdź przede wszystkim, czy do cewki dociera napięcie sterujące (użyj multimetru). Może to być spowodowane błędem w okablowaniu obwodu sterowania, uszkodzonym przyciskiem, zadziałaniem zabezpieczenia, a w ostateczności uszkodzoną cewką stycznika.
Kiedy wezwać profesjonalnego elektryka? Granice samodzielnej pracy
Pamiętaj, że ten poradnik ma charakter edukacyjny. Jeśli podczas podłączania stycznika napotkasz na problemy, których nie jesteś w stanie zdiagnozować i rozwiązać, lub po prostu nie masz pewności co do poprawności swoich działań, nie ryzykuj! W takich sytuacjach bezwzględnie wezwij wykwalifikowanego elektryka. Profesjonalista z odpowiednimi uprawnieniami szybko zlokalizuje problem i bezpiecznie podłączy urządzenie, minimalizując ryzyko awarii lub, co gorsza, wypadku. Twoje bezpieczeństwo i bezpieczeństwo całej instalacji są najważniejsze.
